Mini 1×4 Optical Switch(T type)
Unmatched Low Cost
Low Insertion Loss
High Channel Isolation
Highly Stable and Reliable
Epoxy-Free Optical path
Latching or Non-Latching
Application:
Optical Netrwork Protection/Restoration
Optical Signal Routing
Configurable Optical Add/Drop
Transmitter and Receiver Protection
Network Test Systems
Instrumentation

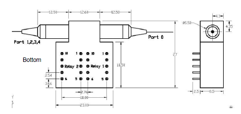
Pins

Dimensions

Ordering Information:OSW-1×4T-A-B-C-D-E-F-G





